Cub Cadet 933 SWE 31AY95KV603 (2012) Keilriementrieb Ersatzteile
BUNDBUCHSE:.260 x .785 x .538
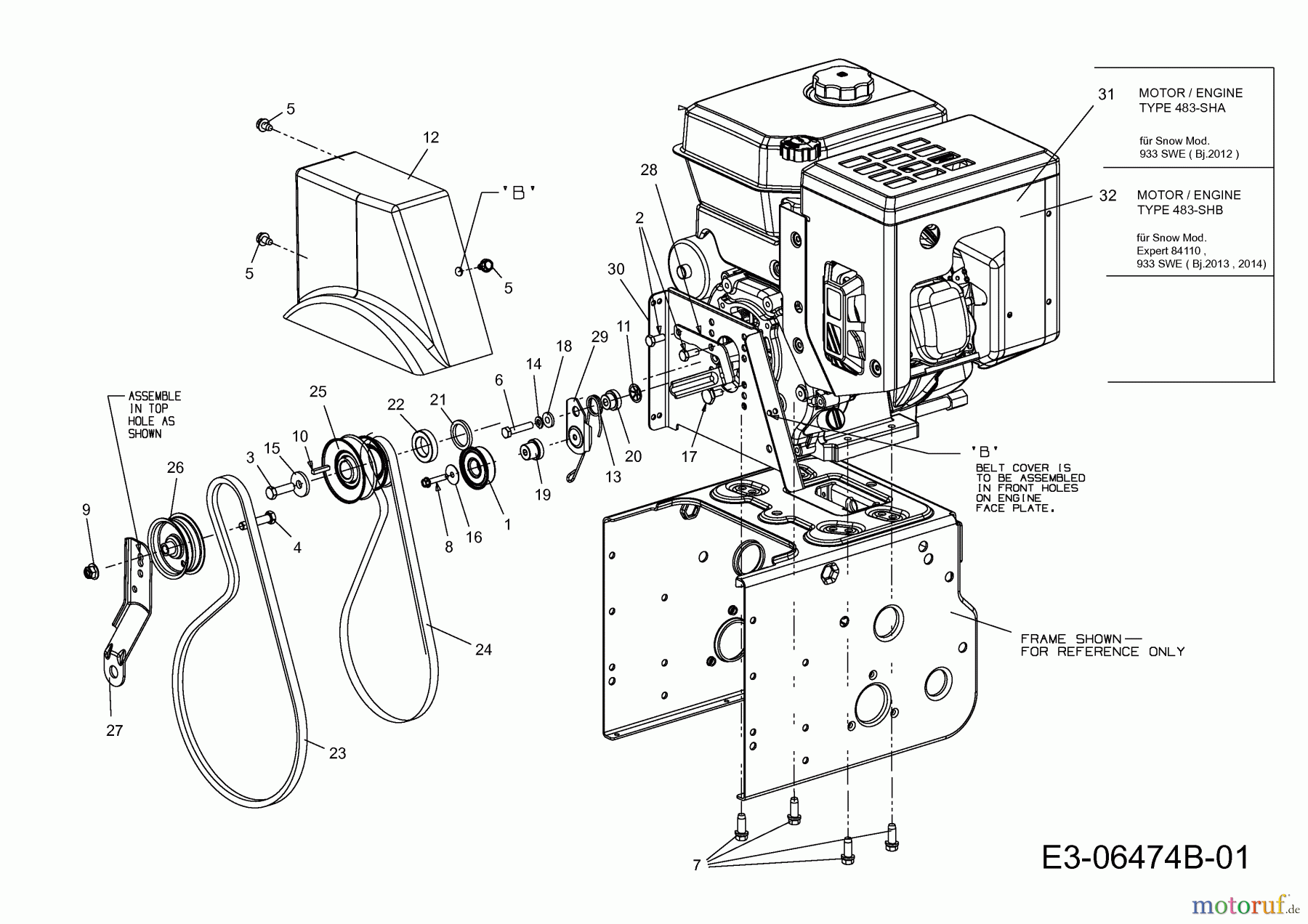
Artikel Nummer:
750-04571
BildNr:
19
DINNORM:
FINISH:GEÖLT
Bemerkung:
.26x .785x.538
Modell BJ:
933 SWE / 2012 Expert 84110 / 2013 933 SWE / 2013
6.86 €
für EU incl. MwSt., zzgl. Versand
Der Artikel wurde in den Einkaufswagen gelegt!
Wird für Sie bestellt: Lieferzeit ca. 5 bis 14 Werktage.
Hier finden Sie die Ersatzteilzeichnung für Cub Cadet Schneefräsen 933 SWE 31AY95KV603 (2012) Keilriementrieb. Wählen Sie das benötigte Ersatzteil aus der Ersatzteilliste Ihres Cub Cadet Gerätes aus und bestellen Sie einfach online. Viele Cub Cadet Ersatzteile halten wir ständig in unserem Lager für Sie bereit.














