Cub Cadet XZ6 S127 17AIGGY2603 (2023) Mähwerksabdeckung Ersatzteile
6KT-SCHRAUBE:TT:1/4-20:0.62
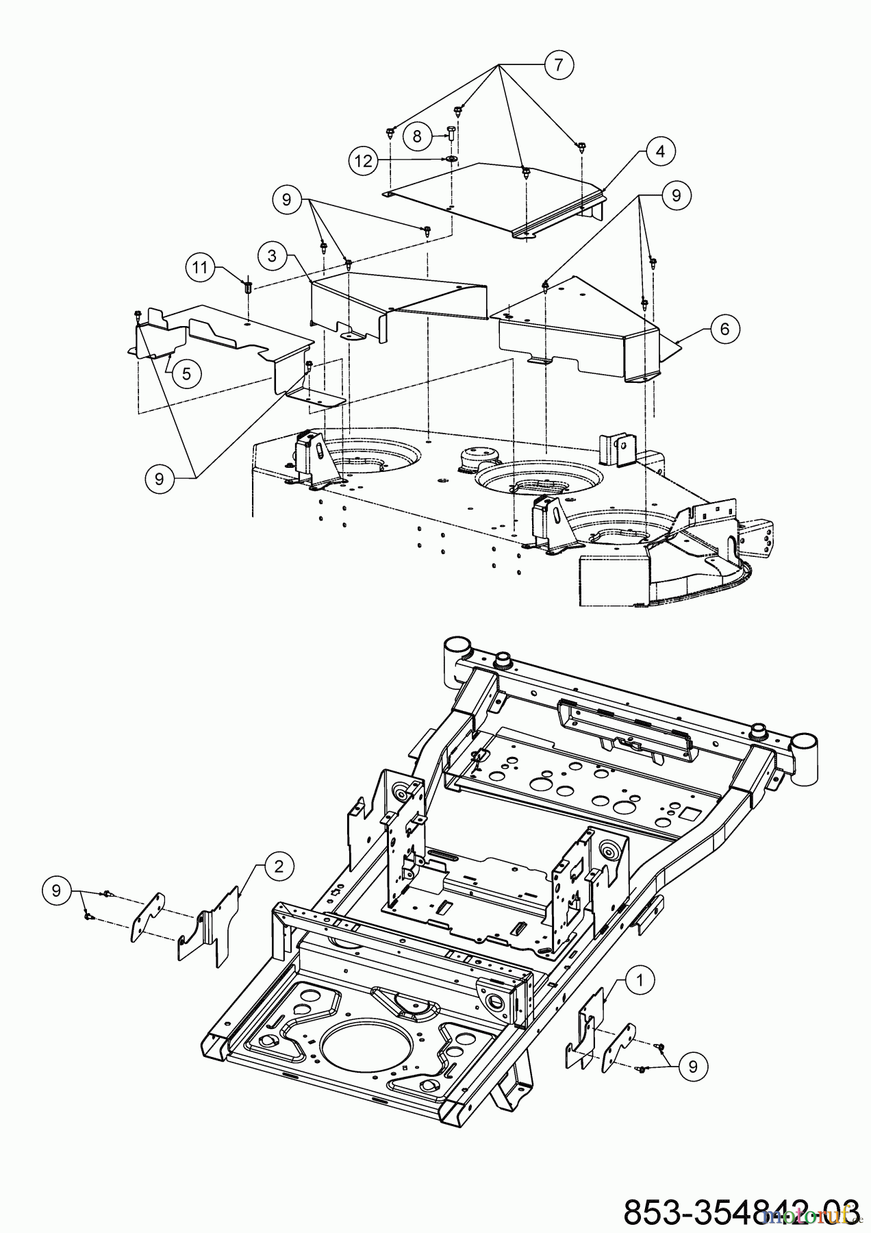
Achtung: Dieser Artikel ist 12x im Gerät verbaut, der Preis gilt pro Stück!
Artikel Nummer:
710-1652
BildNr:
9
Modell BJ:
XZ6 S127 / 2304
3.12 €
für EU incl. MwSt., zzgl. Versand
Der Artikel wurde in den Einkaufswagen gelegt!
sofort Lieferbar
Hier finden Sie die Ersatzteilzeichnung für Cub Cadet Zero Turn XZ6 S127 17AIGGY2603 (2023) Mähwerksabdeckung. Wählen Sie das benötigte Ersatzteil aus der Ersatzteilliste Ihres Cub Cadet Gerätes aus und bestellen Sie einfach online. Viele Cub Cadet Ersatzteile halten wir ständig in unserem Lager für Sie bereit.







