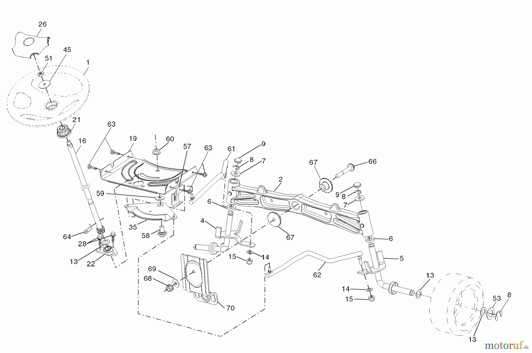
Husqvarna YTH 2454 (96043003400) - Yard Tractor (2006-12 & After) Steering Ersatzteile
ACHSE
Artikel Nummer:
532 19 47-46
BildNr:
16
147.68 €
für EU incl. MwSt., zzgl. Versand
Der Artikel wurde in den Einkaufswagen gelegt!
Wird für Sie bestellt: Lieferzeit ca. 5 Werktage.
Hier finden Sie die Ersatzteilzeichnung für Husqvarna Rasen und Garten Traktoren YTH 2454 (96043003400) - Husqvarna Yard Tractor (2006-12 & After) Steering. Wählen Sie das benötigte Ersatzteil aus der Ersatzteilliste Ihres Husqvarna Gerätes aus und bestellen Sie einfach online. Viele Husqvarna Ersatzteile halten wir ständig in unserem Lager für Sie bereit.












