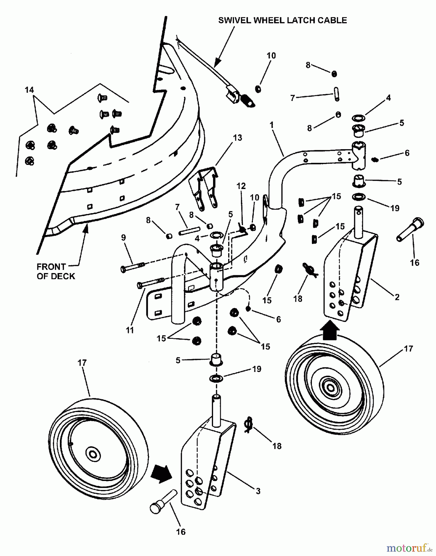
Snapper HWPS26700BV (84952) - 26" High-Wheel, Walk-Behind Mower, 7 HP, Series 0 SWIVEL CASTER ASSEMBLY Ersatzteile
HHCS, 1/4C X2 GR5 BZ
Artikel Nummer:
BS7090505YP
BildNr:
11
4.89 €
für EU incl. MwSt., zzgl. Versand
Der Artikel wurde in den Einkaufswagen gelegt!
Wird für Sie bestellt: Lieferzeit ca. 5 Werktage.
Hier finden Sie die Ersatzteilzeichnung für Snapper Rasenmäher für Großflächen HWPS26700BV (84952) - Snapper 26" High-Wheel, Walk-Behind Mower, 7 HP, Series 0 SWIVEL CASTER ASSEMBLY. Wählen Sie das benötigte Ersatzteil aus der Ersatzteilliste Ihres Snapper Gerätes aus und bestellen Sie einfach online. Viele Snapper Ersatzteile halten wir ständig in unserem Lager für Sie bereit.


Qualitätsmanagement
Informieren Sie uns, wenn Sie einen Fehler gefunden haben.


