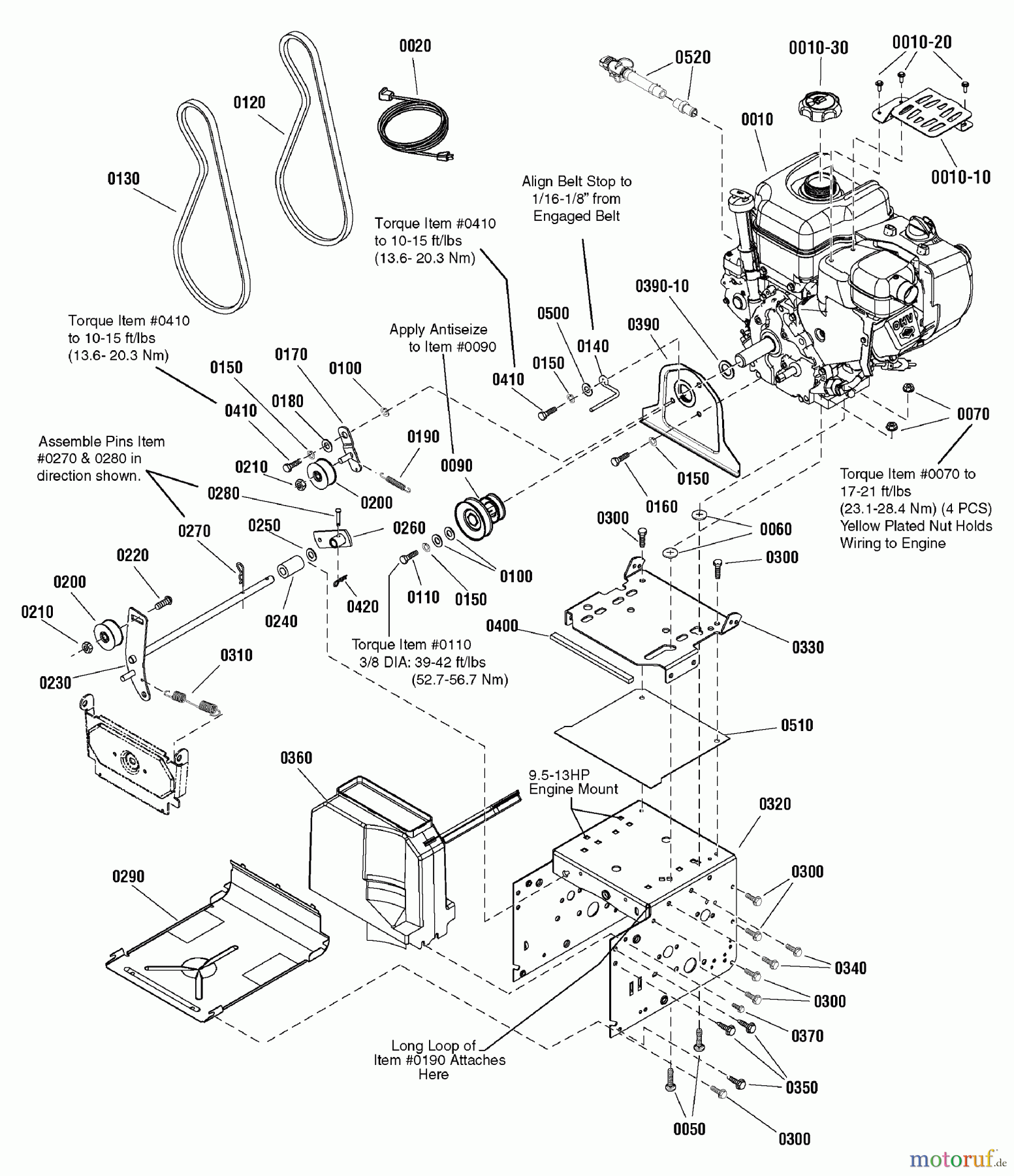
Snapper M1227E (1695908) - 27" Snowthrower, 11.5 HP, Two Stage, Intermediate Frame Engine & Frame Group Ersatzteile
BUCHSE,LEITKONSOLE
Artikel Nummer:
BS1501065MA
BildNr:
0180
6.76 €
für EU incl. MwSt., zzgl. Versand
Der Artikel wurde in den Einkaufswagen gelegt!
Wird für Sie bestellt: Lieferzeit ca. 5 Werktage.
Hier finden Sie die Ersatzteilzeichnung für Snapper Schneefräsen M1227E (1695908) - Snapper 27" Snowthrower, 11.5 HP, Two Stage, Intermediate Frame Engine & Frame Group. Wählen Sie das benötigte Ersatzteil aus der Ersatzteilliste Ihres Snapper Gerätes aus und bestellen Sie einfach online. Viele Snapper Ersatzteile halten wir ständig in unserem Lager für Sie bereit.







