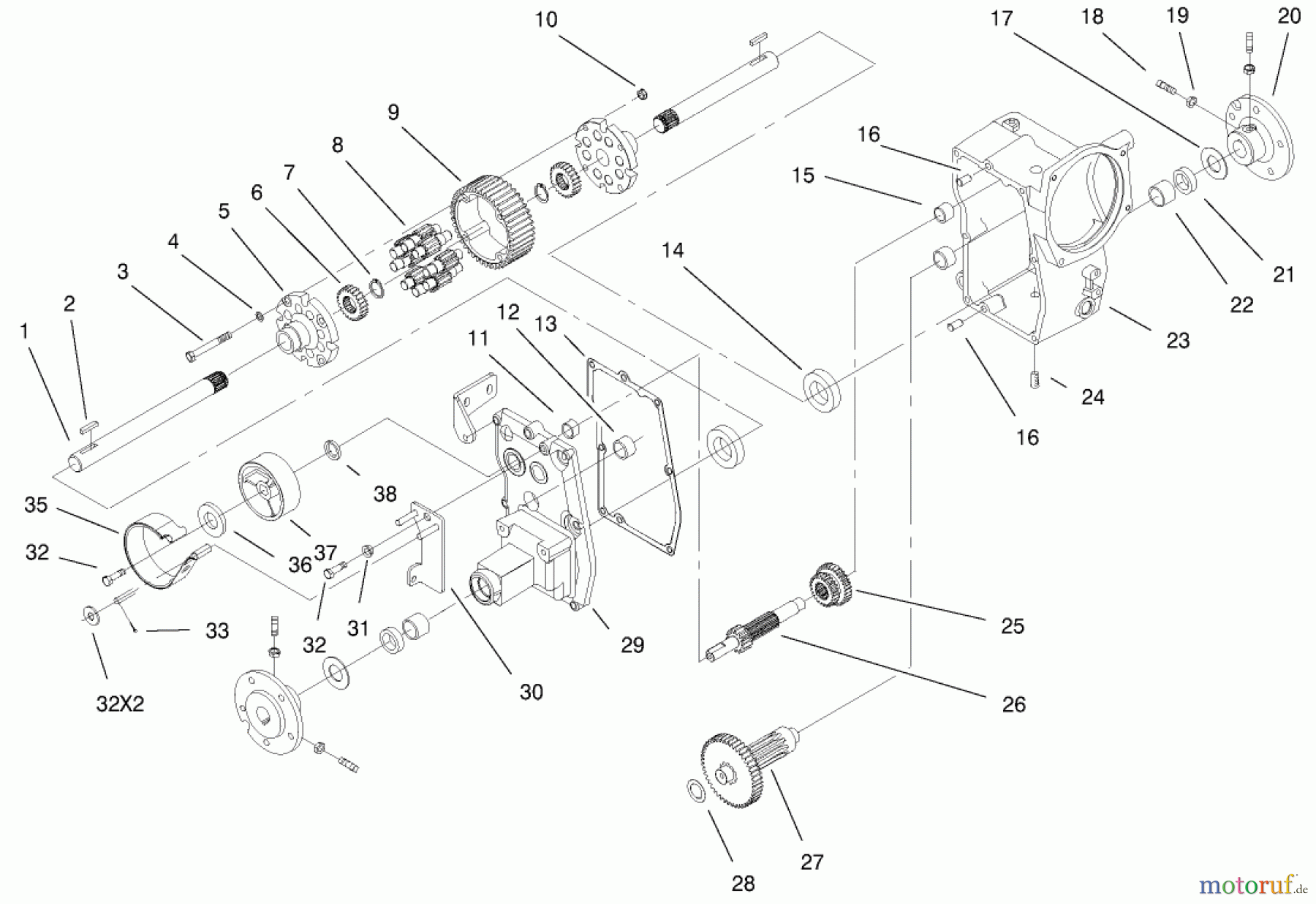
Toro 104-4671 - Sales Kit, 522xi Indy Special Edition Garden Tractor HYDRO TRANS AXLE ASSEMBLY #1 Ersatzteile
BEARING-NEEDLE
Artikel Nummer:
TR1529
BildNr:
15
81.64 €
für EU incl. MwSt., zzgl. Versand
Der Artikel wurde in den Einkaufswagen gelegt!
Wird für Sie bestellt: Lieferzeit ca. 5 Werktage.
Hier finden Sie die Ersatzteilzeichnung für Toro Neu Accessories, Mower 104-4671 - Toro Sales Kit, 522xi Indy Special Edition Garden Tractor HYDRO TRANS AXLE ASSEMBLY #1. Wählen Sie das benötigte Ersatzteil aus der Ersatzteilliste Ihres Toro Gerätes aus und bestellen Sie einfach online. Viele Toro Ersatzteile halten wir ständig in unserem Lager für Sie bereit.





