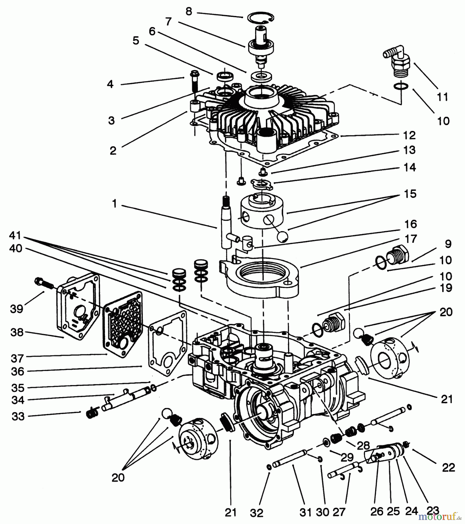
Toro 22-14OE02 (244-H) - 244-H Yard Tractor, 1992 (2000001-2999999) TRANSMISSION EATON MODEL 751-045 #1 Ersatzteile
HEX HEAD SCREW
Artikel Nummer:
TR88-2400
BildNr:
26
4.79 €
für EU incl. MwSt., zzgl. Versand
Der Artikel wurde in den Einkaufswagen gelegt!
Wird für Sie bestellt: Lieferzeit ca. 5 Werktage.Hier finden Sie die Ersatzteilzeichnung für Toro Neu Mowers, Lawn & Garden Tractor Seite 1 22-14OE02 (244-H) - Toro 244-H Yard Tractor, 1992 (2000001-2999999) TRANSMISSION EATON MODEL 751-045 #1. Wählen Sie das benötigte Ersatzteil aus der Ersatzteilliste Ihres Toro Gerätes aus und bestellen Sie einfach online. Viele Toro Ersatzteile halten wir ständig in unserem Lager für Sie bereit.




