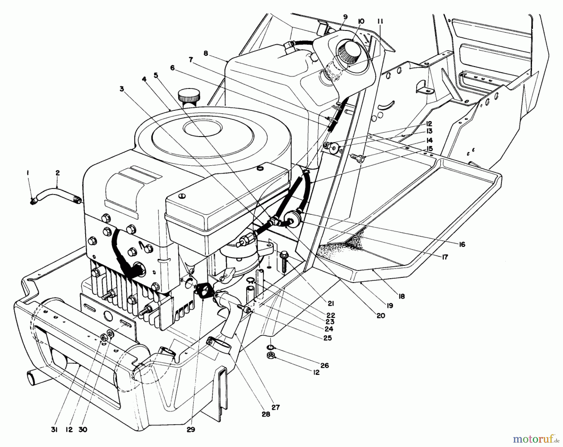
Toro 57360 (11-32) - 11-32 Lawn Tractor, 1983 (3000001-3999999) ENGINE ASSEMBLY MODEL 57360 Ersatzteile
Scheibe
Artikel Nummer:
TR3256-23
BildNr:
30
1.13 €
für EU incl. MwSt., zzgl. Versand
Der Artikel wurde in den Einkaufswagen gelegt!
Wird für Sie bestellt: Lieferzeit ca. 5 Werktage.Hier finden Sie die Ersatzteilzeichnung für Toro Neu Mowers, Lawn & Garden Tractor Seite 1 57360 (11-32) - Toro 11-32 Lawn Tractor, 1983 (3000001-3999999) ENGINE ASSEMBLY MODEL 57360. Wählen Sie das benötigte Ersatzteil aus der Ersatzteilliste Ihres Toro Gerätes aus und bestellen Sie einfach online. Viele Toro Ersatzteile halten wir ständig in unserem Lager für Sie bereit.




