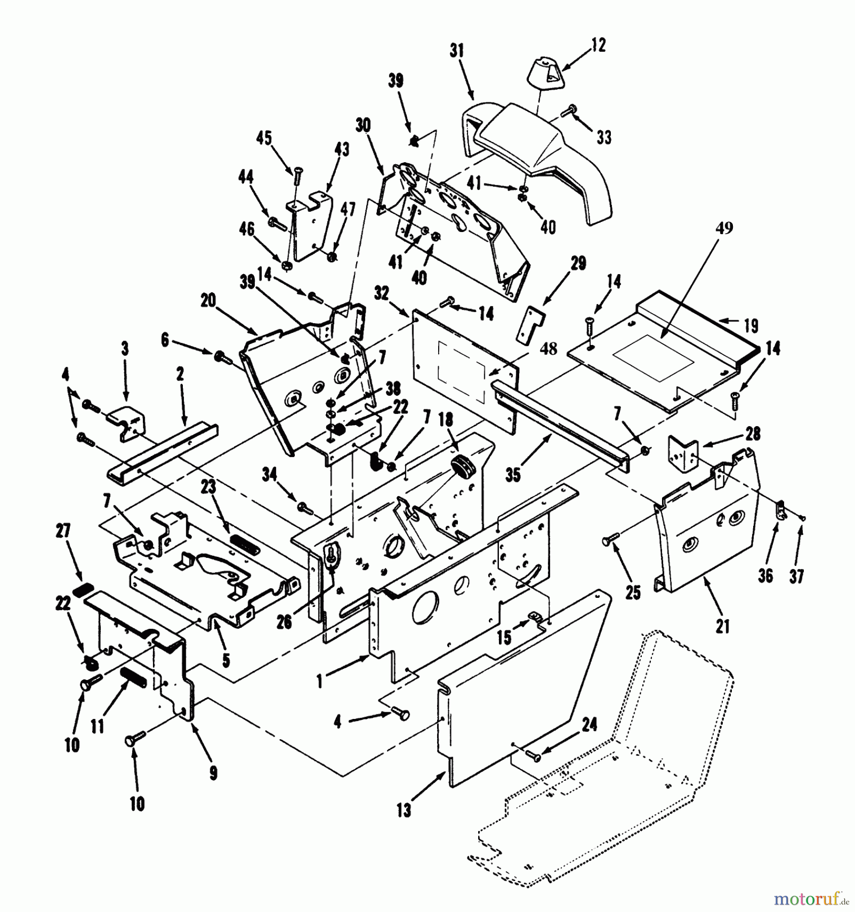
Toro 73520 (520-H) - 520-H Garden Tractor, 1993 (39000001-39999999) SHEET METAL AND COVERS #2 Ersatzteile
COVER-L.H
Artikel Nummer:
TR79-5130-01
BildNr:
13
67.19 €
für EU incl. MwSt., zzgl. Versand
Der Artikel wurde in den Einkaufswagen gelegt!
Wird für Sie bestellt: Lieferzeit ca. 5 Werktage.
Hier finden Sie die Ersatzteilzeichnung für Toro Neu Mowers, Lawn & Garden Tractor Seite 1 73520 (520-H) - Toro 520-H Garden Tractor, 1993 (39000001-39999999) SHEET METAL AND COVERS #2. Wählen Sie das benötigte Ersatzteil aus der Ersatzteilliste Ihres Toro Gerätes aus und bestellen Sie einfach online. Viele Toro Ersatzteile halten wir ständig in unserem Lager für Sie bereit.





