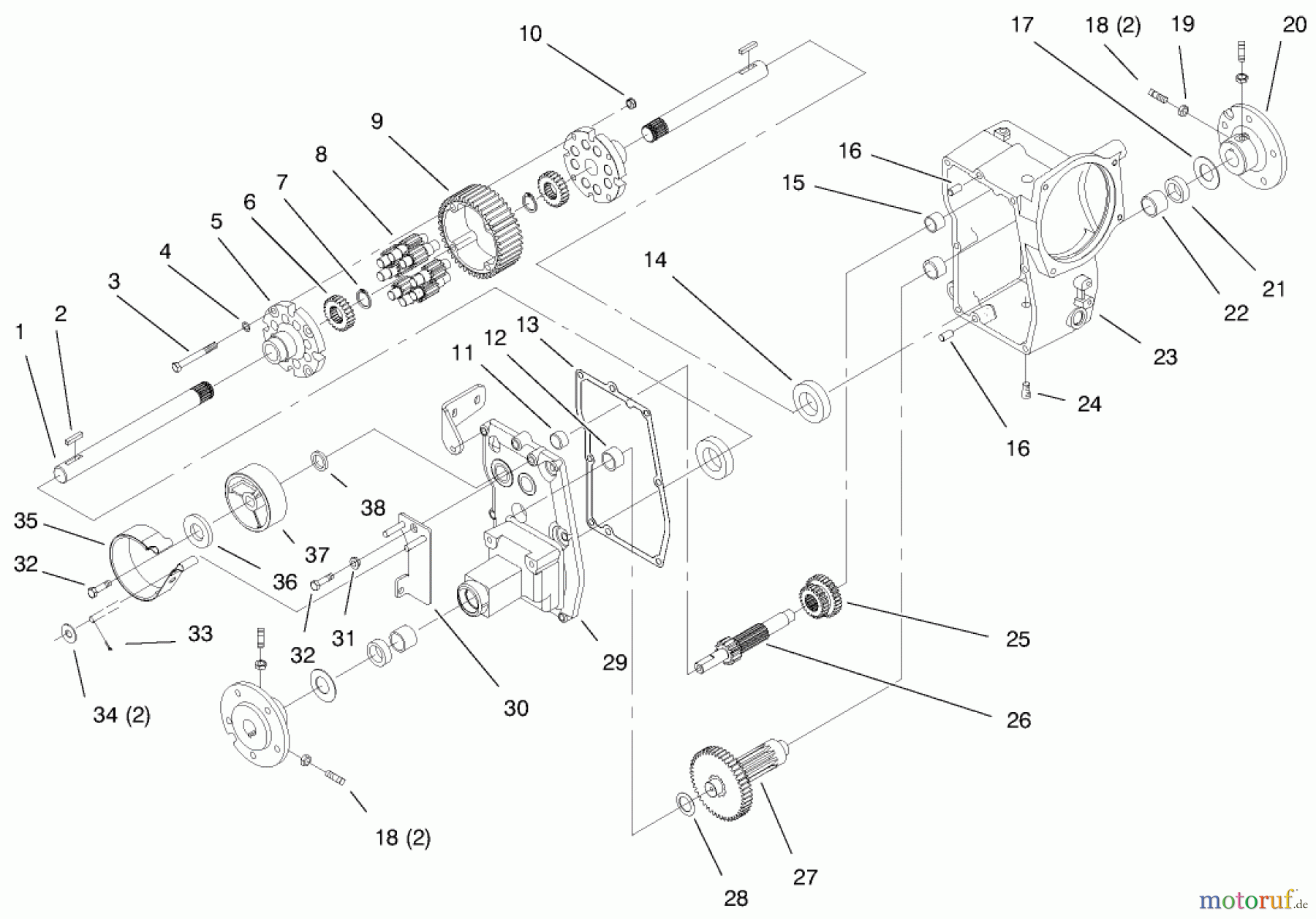
Toro 73560 (522xi) - 522xi Garden Tractor, 1998 (8900001-8999999) HYDRO TRANS AXLE ASSEMBLY #1 Ersatzteile
WASHER
Artikel Nummer:
TR2844
BildNr:
36
6.24 €
für EU incl. MwSt., zzgl. Versand
Der Artikel wurde in den Einkaufswagen gelegt!
Wird für Sie bestellt: Lieferzeit ca. 5 Werktage.
Hier finden Sie die Ersatzteilzeichnung für Toro Neu Mowers, Lawn & Garden Tractor Seite 1 73560 (522xi) - Toro 522xi Garden Tractor, 1998 (8900001-8999999) HYDRO TRANS AXLE ASSEMBLY #1. Wählen Sie das benötigte Ersatzteil aus der Ersatzteilliste Ihres Toro Gerätes aus und bestellen Sie einfach online. Viele Toro Ersatzteile halten wir ständig in unserem Lager für Sie bereit.





