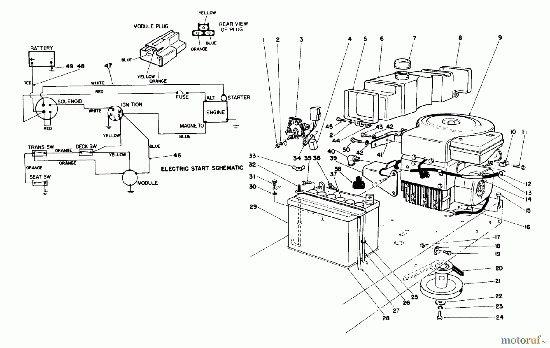
Toro 56138 (8-32) - 8-32 Rear Engine Rider, 1987 (7000001-7999999) ENGINE ASSEMBLY (MODEL NO. 56145) Ersatzteile
Gummikappe
Artikel Nummer:
TR28-8080
BildNr:
38
44.71 €
für EU incl. MwSt., zzgl. Versand
Der Artikel wurde in den Einkaufswagen gelegt!
Wird für Sie bestellt: Lieferzeit ca. 5 Werktage.
Hier finden Sie die Ersatzteilzeichnung für Toro Neu Mowers, Rear-Engine Rider 56138 (8-32) - Toro 8-32 Rear Engine Rider, 1987 (7000001-7999999) ENGINE ASSEMBLY (MODEL NO. 56145). Wählen Sie das benötigte Ersatzteil aus der Ersatzteilliste Ihres Toro Gerätes aus und bestellen Sie einfach online. Viele Toro Ersatzteile halten wir ständig in unserem Lager für Sie bereit.




