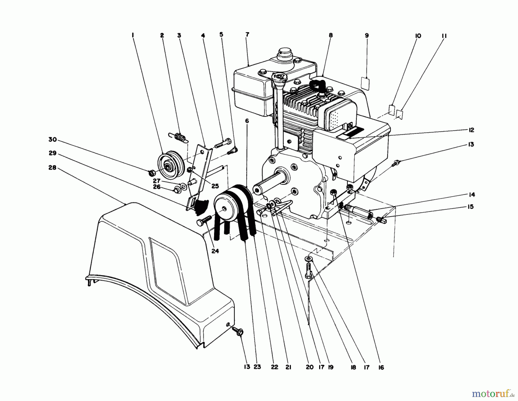
Toro 38052 (521) - 521 Snowthrower, 1987 (7000001-7999999) ENGINE ASSEMBLY Ersatzteile
SCHILD
Artikel Nummer:
TR39-3850
BildNr:
11
Nicht mehr lieferbar.

Hier finden Sie die Ersatzteilzeichnung für Toro Neu Snow Blowers/Snow Throwers Seite 1 38052 (521) - Toro 521 Snowthrower, 1987 (7000001-7999999) ENGINE ASSEMBLY. Wählen Sie das benötigte Ersatzteil aus der Ersatzteilliste Ihres Toro Gerätes aus und bestellen Sie einfach online. Viele Toro Ersatzteile halten wir ständig in unserem Lager für Sie bereit.





