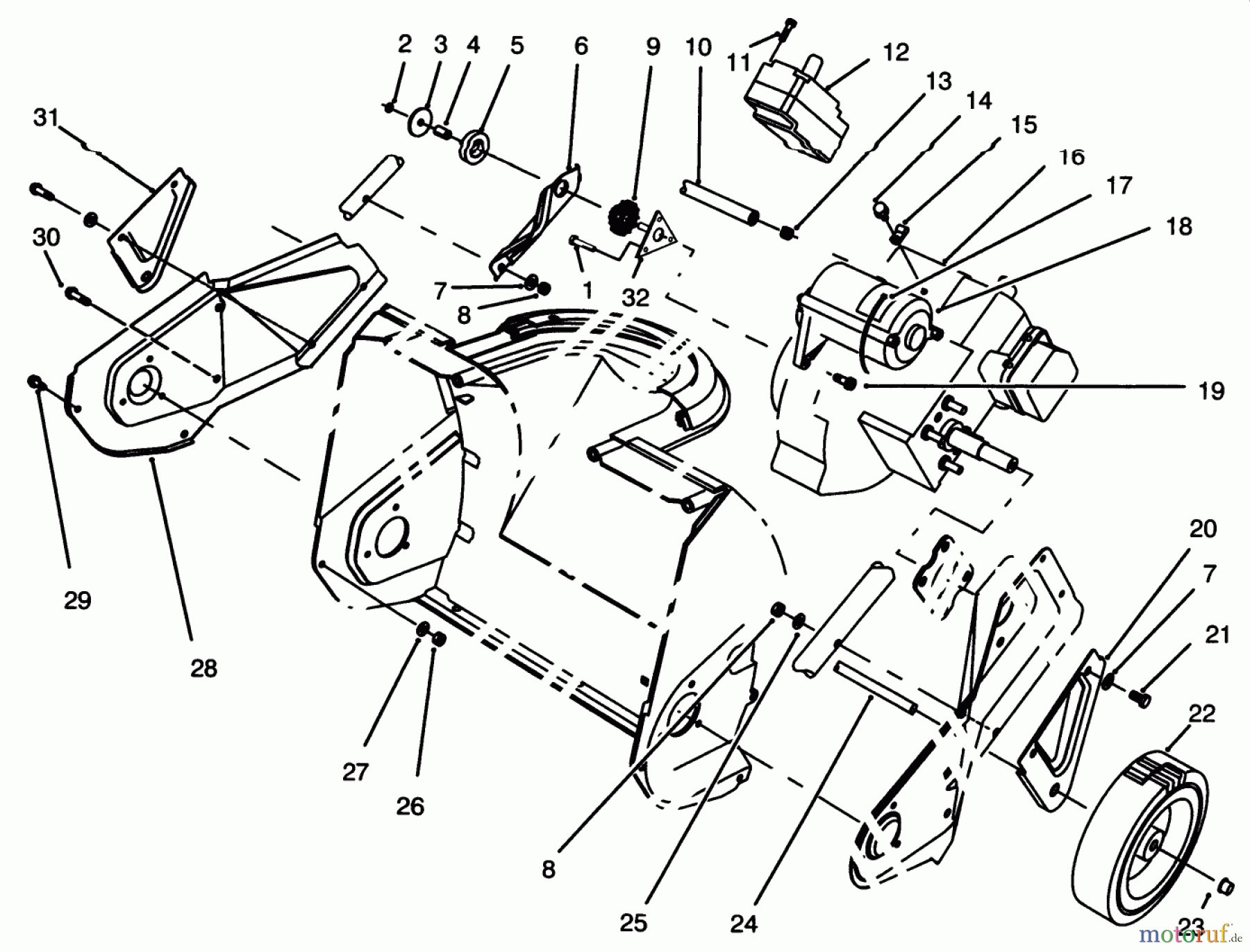
Toro 38171 - CCR Powerlite Snowthrower, 1995 (59000001-59999999) ENGINE & WHEEL ASSEMBLY Ersatzteile
Schraube
Artikel Nummer:
TR321-10
BildNr:
21
Nicht mehr lieferbar.

Hier finden Sie die Ersatzteilzeichnung für Toro Neu Snow Blowers/Snow Throwers Seite 1 38171 - Toro CCR Powerlite Snowthrower, 1995 (59000001-59999999) ENGINE & WHEEL ASSEMBLY. Wählen Sie das benötigte Ersatzteil aus der Ersatzteilliste Ihres Toro Gerätes aus und bestellen Sie einfach online. Viele Toro Ersatzteile halten wir ständig in unserem Lager für Sie bereit.





