Golf 245 HR 4 02647.02 (1985) Fahrantrieb, Räder Ersatzteile
Fahrantrieb, Räder 02647.02 (1985)

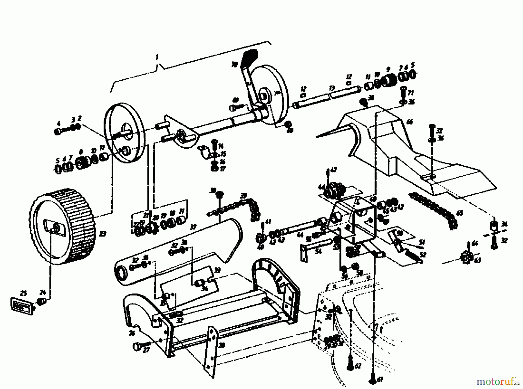
Hier finden Sie die Ersatzteilzeichnung für Golf Motormäher mit Antrieb 245 HR 4 02647.02 (1985) Fahrantrieb, Räder. Wählen Sie das benötigte Ersatzteil aus der Ersatzteilliste Ihres Golf Gerätes aus und bestellen Sie einfach online. Viele Golf Ersatzteile halten wir ständig in unserem Lager für Sie bereit.




