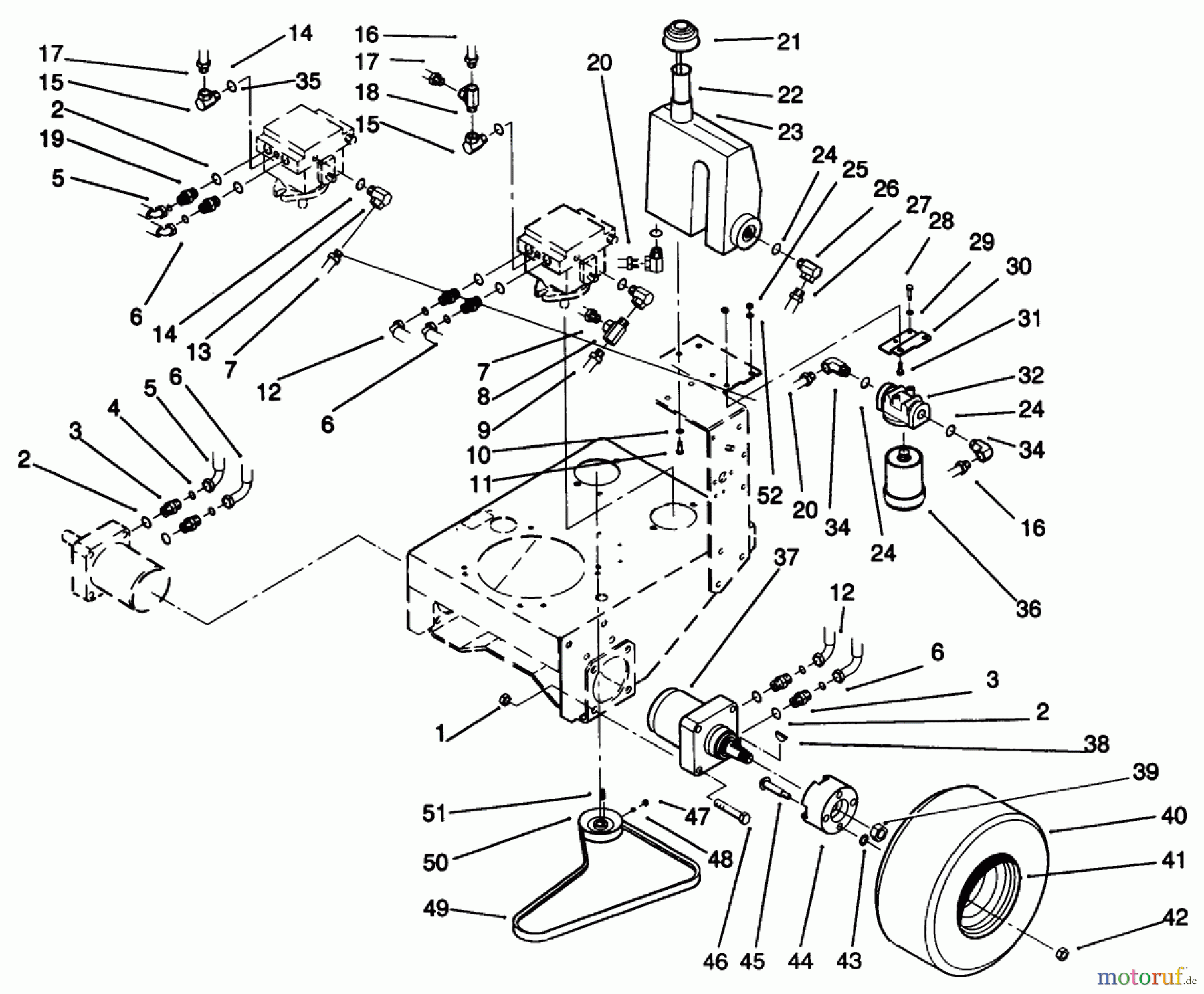
Toro 30185 - Mid-Size Proline Hydro Traction Unit, 14 hp, 1991 (10000001-19999999) WHEEL ASSEMBLY & HYDRAULIC COMPONENTS Ersatzteile
WHEEL ASSEMBLY & HYDRAULIC COMPONENTS 30185 - Toro Mid-Size Proline Hydro Traction Unit, 14 hp, 1991 (10000001-19999999)

Hier finden Sie die Ersatzteilzeichnung für Toro Neu Mowers, Drive Unit Only 30185 - Toro Mid-Size Proline Hydro Traction Unit, 14 hp, 1991 (10000001-19999999) WHEEL ASSEMBLY & HYDRAULIC COMPONENTS. Wählen Sie das benötigte Ersatzteil aus der Ersatzteilliste Ihres Toro Gerätes aus und bestellen Sie einfach online. Viele Toro Ersatzteile halten wir ständig in unserem Lager für Sie bereit.




