Einverstanden

Diese Webseite verwendet keine Tracking-Cookies. Es werden nur Cookies verwendet die für den Warenkorb und die Seite unbedingt notwendig sind. In dem Sie fortfahren, stimmen Sie dieser Verwendung zu. Weitere Informationen

Einkaufswagen
Mein Konto

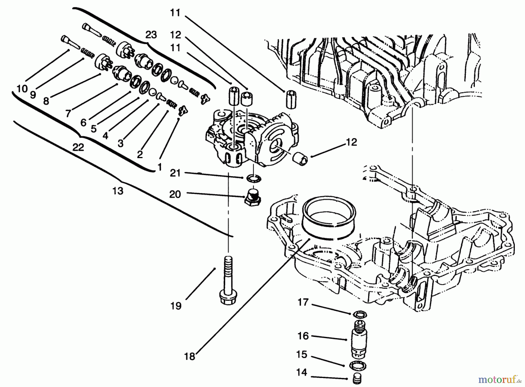
Toro 72063 (264-H) - 264-H Yard Tractor, 1995 (5900499-5999999) CENTER CASE Ersatzteile

CENTER CASE 72063 (264-H) - Toro 264-H Yard Tractor, 1995 (5900499-5999999)

 Toro Neu Mowers, Lawn & Garden Tractor Seite 1 72063 (264-H) - Toro 264-H Yard Tractor, 1995 (5900499-5999999) CENTER CASE

Hier finden Sie die Ersatzteilzeichnung für Toro Neu Mowers, Lawn & Garden Tractor Seite 1 72063 (264-H) - Toro 264-H Yard Tractor, 1995 (5900499-5999999) CENTER CASE. Wählen Sie das benötigte Ersatzteil aus der Ersatzteilliste Ihres Toro Gerätes aus und bestellen Sie einfach online. Viele Toro Ersatzteile halten wir ständig in unserem Lager für Sie bereit.

Rasen
Bankeinzug, MasterCard, Visa, American Express, PayPal, Nachnahme, Vorauskasse, Sofortüberweisung
Qualitätsmanagement
Informieren Sie uns, wenn Sie einen Fehler gefunden haben.