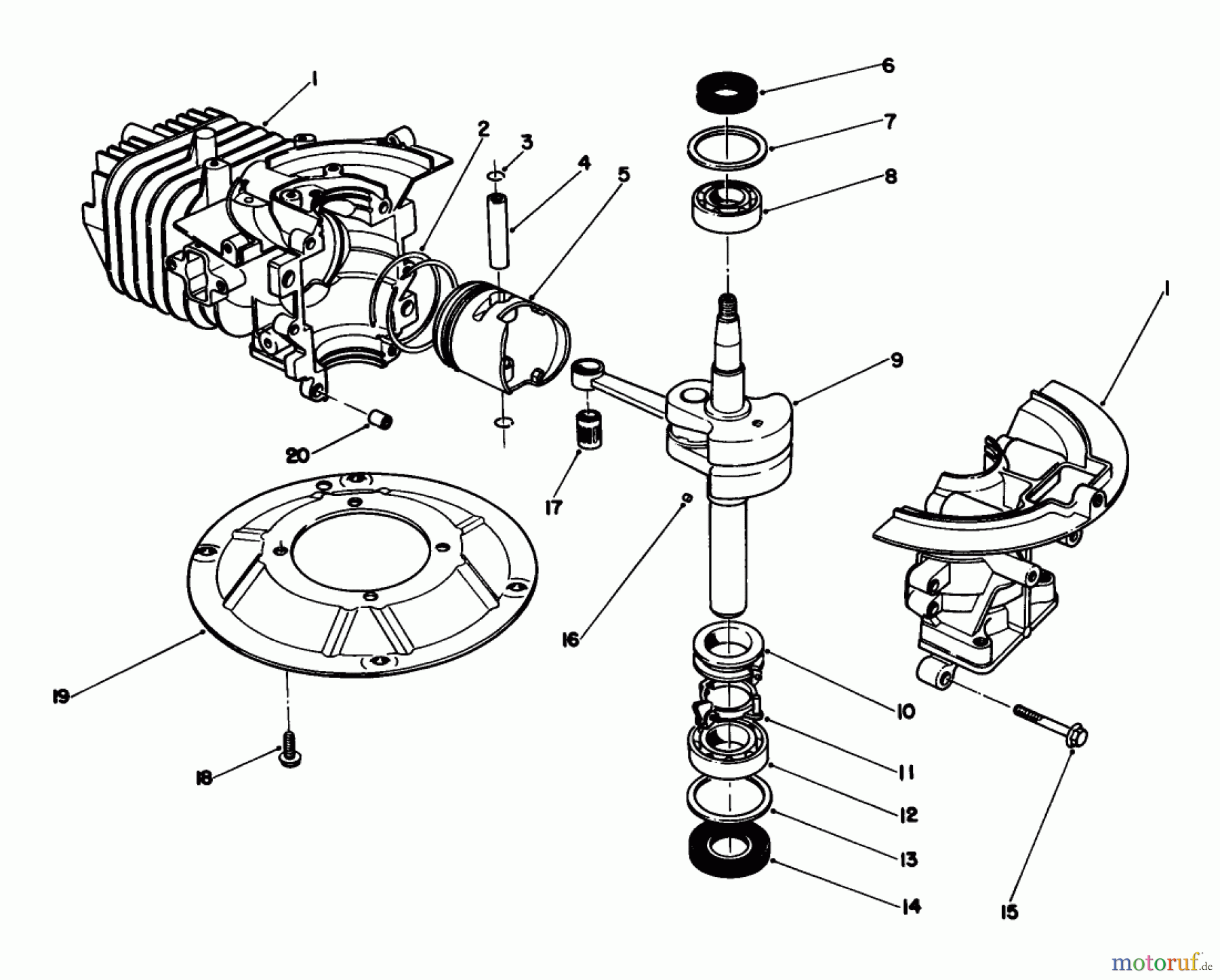
Toro 22037B - Proline 21" Recycler Mower, 1993 (39000001-39999999) CRANKSHAFT ASSEMBLY (MODEL NO. 47PN2-3) Ersatzteile
CRANKSHAFT ASSEMBLY (MODEL NO. 47PN2-3) 22037B - Toro Proline 21" Recycler Mower, 1993 (39000001-39999999)

Hier finden Sie die Ersatzteilzeichnung für Toro Neu Mowers, Walk-Behind Seite 2 22037B - Toro Proline 21" Recycler Mower, 1993 (39000001-39999999) CRANKSHAFT ASSEMBLY (MODEL NO. 47PN2-3). Wählen Sie das benötigte Ersatzteil aus der Ersatzteilliste Ihres Toro Gerätes aus und bestellen Sie einfach online. Viele Toro Ersatzteile halten wir ständig in unserem Lager für Sie bereit.



