MTD-Motoren 1P65WHA 752Z1P65WHA (2009) Regler Ersatzteile
Regler 752Z1P65WHA (2009)

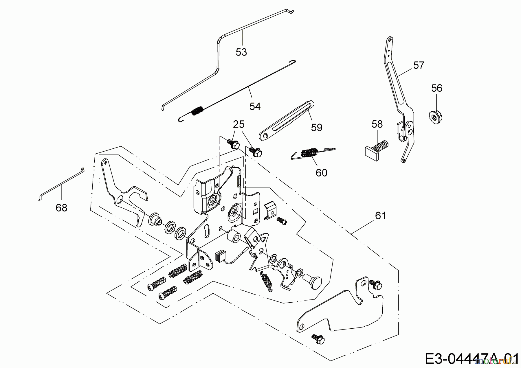
Hier finden Sie die Ersatzteilzeichnung für MTD-Motoren Vertikal 1P65WHA 752Z1P65WHA (2009) Regler. Wählen Sie das benötigte Ersatzteil aus der Ersatzteilliste Ihres MTD-Motoren Gerätes aus und bestellen Sie einfach online. Viele MTD-Motoren Ersatzteile halten wir ständig in unserem Lager für Sie bereit.



