Black Edition 200-107 Twin 13CT777G615 (2014) Motorhaube 7-Style Ersatzteile
Motorhaube 7-Style 13CT777G615 (2014)

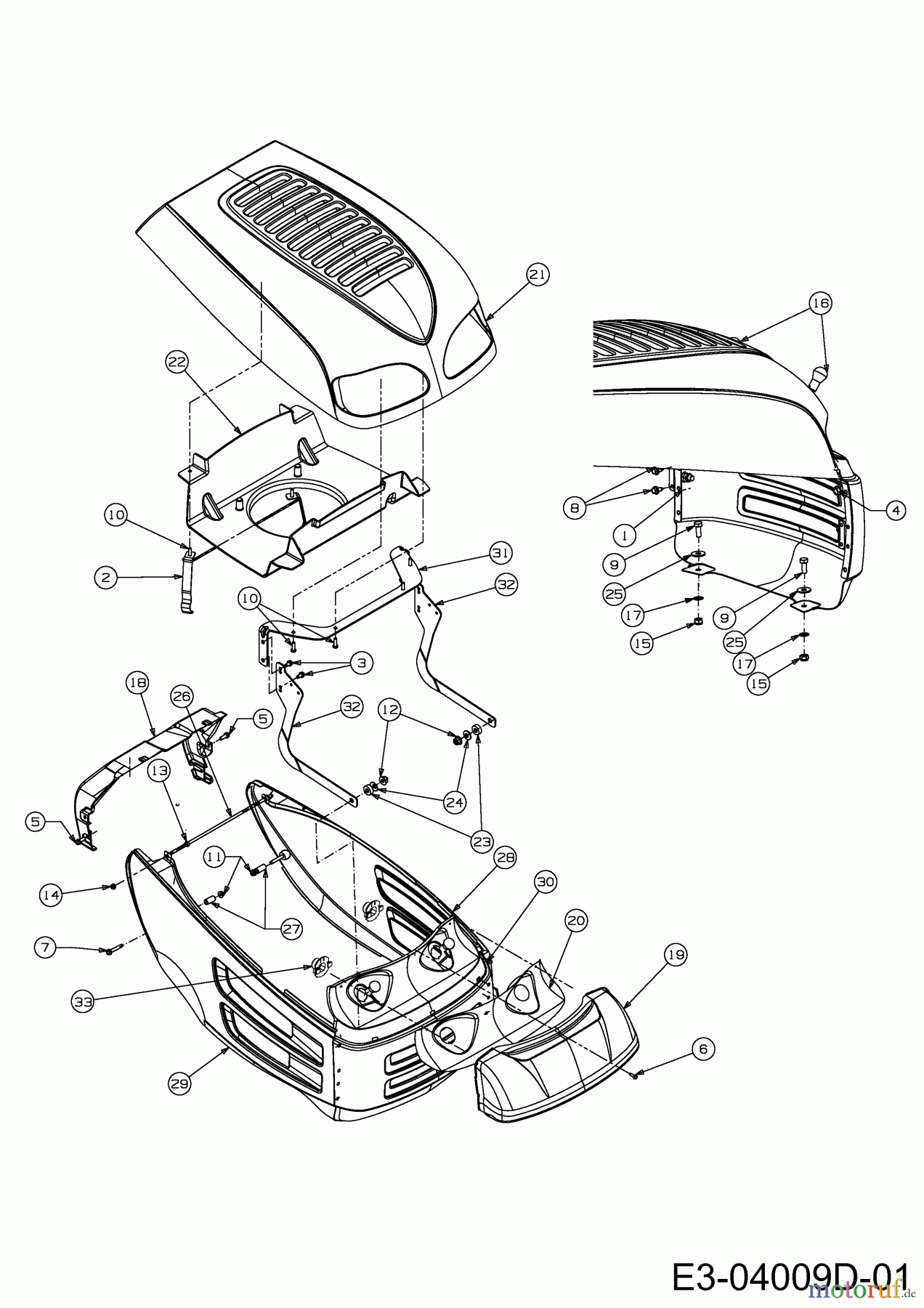
Hier finden Sie die Ersatzteilzeichnung für Black Edition Rasentraktoren 200-107 Twin 13CT777G615 (2014) Motorhaube 7-Style. Wählen Sie das benötigte Ersatzteil aus der Ersatzteilliste Ihres Black Edition Gerätes aus und bestellen Sie einfach online. Viele Black Edition Ersatzteile halten wir ständig in unserem Lager für Sie bereit.















