Toro 72202 (430) - 430 Garden Tractor, 2005 (250000001-250999999) CYLINDER AND CRANKCASE ASSEMBLY KAWASAKI FH580V-DS06 Ersatzteile
CYLINDER AND CRANKCASE ASSEMBLY KAWASAKI FH580V-DS06 72202 (430) - Toro 430 Garden Tractor, 2005 (250000001-250999999)

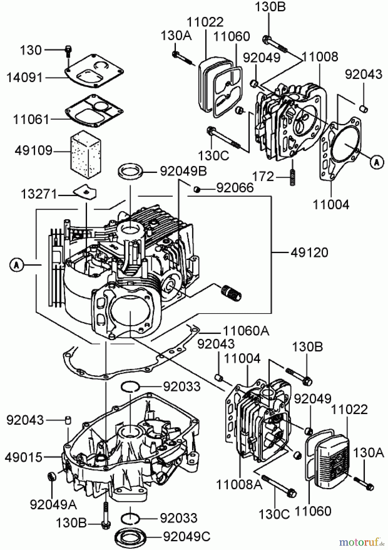
Hier finden Sie die Ersatzteilzeichnung für Toro Neu Mowers, Lawn & Garden Tractor Seite 1 72202 (430) - Toro 430 Garden Tractor, 2005 (250000001-250999999) CYLINDER AND CRANKCASE ASSEMBLY KAWASAKI FH580V-DS06. Wählen Sie das benötigte Ersatzteil aus der Ersatzteilliste Ihres Toro Gerätes aus und bestellen Sie einfach online. Viele Toro Ersatzteile halten wir ständig in unserem Lager für Sie bereit.
| BildNr | Artikel Nummer | Bezeichnung | |
| 11004 | KA110047016 | GASKET-HEAD | |
| 11008 | KA110086043 | HEAD-COMP-CYLINDER,#1 | |
| 11008A | KA110087020 | HEAD-COMP-CYLINDER,#2 | |
| 11022 | KA110227018 | CASE-ROCKER | |
| 11060 | ![]() | KA110607001 | GASKET, ROCKER CASE |
| 11060A | KA110607008 | GETRIEBEDECKELDICHTUNG | |
| 11061 | KA999966104 | KIT,COVER & GASKET & | |
| 13271 | KA132717016 | PLATE | |
| 14091 | KA140917006 | COVER | |
| 49015 | KA490156253 | COVER-CRANKCASE | |
| 49109 | KA491097002 | ELEMENT-BREATHER | |
| 49120 | KA491207113 | CRANKCASE-COMP | |
| 92033 | KA920337003 | RING-SNAP | |
| 92043 | KA920437001 | PIN | |
| 92049 | ![]() | KA920497001 | SEAL-OIL |
| 92049A | ![]() | KA920497019 | SEAL-OIL,SO 8X14X5 HS |
| 92049B | KA920497010 | SEAL-OIL,SD 35X48X8 R | |
| 92049C | KA920497011 | SEAL-OIL,SD 35X62X8 L | |
| 92066 | KA920667026 | PLUG | |
| 130 | KA130AA0612 | BOLT-FLANG | |
| 130A | KA130AA0640 | BOLT-FLANGED | |
| 130B | KA130CA0850 | BOLT-FLANGED | |
| 130C | KA130CA0875 | BOLT-FLANGED,8X75 | |
| 172 | KA172BA0818 | BOLT-STUD | |





