Toro 20586 - Lawnmower, 1986 (6000001-6999999) CARBURETOR NO. 632098 Ersatzteile
CARBURETOR NO. 632098 20586 - Toro Lawnmower, 1986 (6000001-6999999)

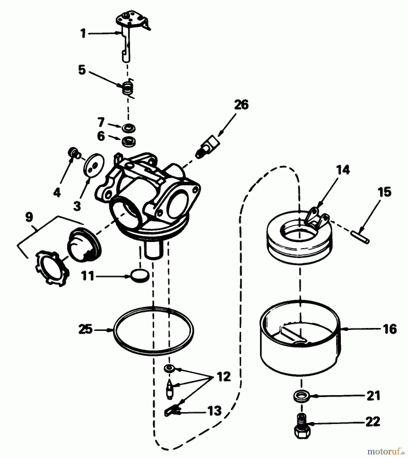
Hier finden Sie die Ersatzteilzeichnung für Toro Neu Mowers, Walk-Behind Seite 1 20586 - Toro Lawnmower, 1986 (6000001-6999999) CARBURETOR NO. 632098. Wählen Sie das benötigte Ersatzteil aus der Ersatzteilliste Ihres Toro Gerätes aus und bestellen Sie einfach online. Viele Toro Ersatzteile halten wir ständig in unserem Lager für Sie bereit.
| BildNr | Artikel Nummer | Bezeichnung | |
| 1 | TC631615 | WELLE U, HEBEL | |
| 3 | TC631616 | SHUTTER | |
| 4 | TC650506 | SCHRAUBE | |
| 5 | TC631767 | FEDER | |
| 6 | TC631183 | SCHEIBE | |
| 7 | TC631184 | WASHER | |
| 9 | ![]() | TC632047A | PRIMER |
| 11 | TC631027 | WELCH PLUG | |
| 12 | TC631021B | INLET NEEDLE | |
| 13 | TC631022 | KLEMME | |
| 14 | TC632019A | FLOAT | |
| 15 | TC631024 | FLOAT SHAFT | |
| 16 | TC631700 | SCHWIMMERGEHAEUSE | |
| 21 | TC631334A | DICHTUNG | |
| 22 | TC631937A | MUTTER | |
| 25 | TC631028A | DICHTUNG | |
| 26 | TC631807 | FUEL FITTING | |



