Dolmar Benzin Kettensäge PS6100 2 Abdeckhaube, Luftfilter, Schalldämpfer Ersatzteile
2 Abdeckhaube, Luftfilter, Schalldämpfer PS6100

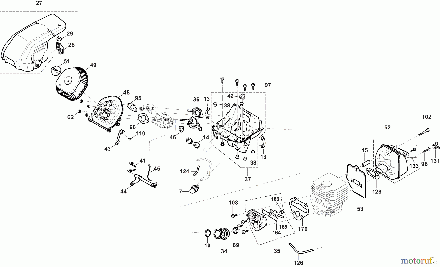
Hier finden Sie die Ersatzteilzeichnung für Dolmar Kettensägen Benzin Kettensäge PS6100 2 Abdeckhaube, Luftfilter, Schalldämpfer. Wählen Sie das benötigte Ersatzteil aus der Ersatzteilliste Ihres Dolmar Gerätes aus und bestellen Sie einfach online. Viele Dolmar Ersatzteile halten wir ständig in unserem Lager für Sie bereit.


